Dayliff Sunverter is an established range of advanced AC/DC inverters specially designed for solar-powering AC motors in various water pumping applications. As well as a general upgrade of the electronics and functionality an important new feature is hybrid capability that enables concurrent operation with direct AC power from mains or generator supply while prioritising solar supply. It is adaptable to all AC motor types and can be retro fitted to existing AC supply installations in solarisation projects. Particular features include;
- Hybrid capability with the option of DC solar power, generator or mains grid power inputs
- Patented MPPT (Maximum Power Point Tracking) capability providing fast response, good stability and up to 99% efficiency.
- Fully automatic operation with up to 8 years storage capacity of operating data.
- Supports motor soft start and gives full motor protection
- User friendly LCD display interface with comprehensive display information
- Integral remote monitoring and control capability available on all units which is activated by signing up to the unique iDAYLIFF Service.
- Strong IP65 rated enclosure for enhanced component protection
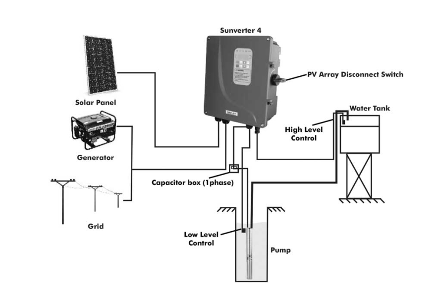
- Built-in PV array disconnect switch and fuse, for system isolation (SV4 only)
CONTROLLER FUNCTIONALITY
The controller offers the following control functions:
- Settable minimum and maximum frequency and open circuit voltage.
- Display of operating parameters including frequency, voltage, amperage, input power and pump speed.
- Display of historical data including energy generation, maximum power and operating times.
- Protection against over and under voltage, over current, system overload and module over temperature.
- Fault detection with error code display.
- Selectable hybrid modes that prioritise solar supply as well as maximise output through optimal blending of both power supplies.
- Power saving mode (CRUISE) - limit the maximum AC input power, hence saving energy. (SV4 only)
INSTALLATION
Dayliff Sunverter 4 controllers are surface mounted and should be provided with a housing for water and heat protection. Due to the high operating voltages proper earthing is essential, which must be done by a qualified electrician. As a rule, all PV powered solar pumping systems should be provided with a solar module array with a nominal output about 30% greater than the motor size. In hybrid applications, higher array MPP voltage is specified to allow achievement of larger solar supply share of hybrid power supply. The arrays should be wired in a combination of series and parallel connections to ensure that the correct voltage is available into the inverter. It is important that the connection arrangement is approved by the pump supplier.
OPERATING CONDITIONS
Altitude: 0-2,000m**
Ambient Temperature: -20° C to 60° C **
Relative Humidity: 0 - 95% (non condensing)
Frequency: 0-60Hz
CONTROLLER DATA
| Model |
Motor Rated Power (kW) |
Rated Voltage |
Output Current (A) |
Max DC Input- Voltage VDC |
MPP Voltage VDC, Solar |
MPP Voltage VDC, Hybrid |
Dimensions (mm) |
Weight (kg) |
| H |
W |
D |
| SV4/1.5M |
1.1 |
1x240V |
8.6 |
430 |
150-360 |
150-370 |
266 |
296 |
111 |
5.5 |
| SV4/2.2M |
1.5 |
11 |
180-360 |
180-370 |
| SV4/3.0M |
2.2 |
14 |
250-360 |
250-370 |
| SV3/3.7T |
3.7 |
3x415V |
9 |
850 |
500-700 |
600-700 |
416 |
257 |
158 |
8.5 |
| SV3/5.5T |
5.5 |
13 |
458 |
300 |
175 |
8 |
| SV3/7.5T |
7.5 |
18 |
| SV3/11T |
11 |
24 |
11.5 |
| SV3/15T |
15 |
30 |
| SV3/18T |
18.5 |
39 |
| SV3/22T |
22 |
45 |
| SV3/30T |
30 |
60 |
780 |
500-600 |
540-600 |
625 |
388 |
235 |
29 |
| SV3/37T |
37 |
84 |
| SV3/45T |
45 |
98 |